- 技术文章
实验室工艺气体系统安全设计分析
2024-07-31 09:57:25 来源:上海实验室装备协会
实验室工艺气体系统安全设计分析在实验室建设项目中,气体是重要的公用工程之一。但气路泄漏可能造成火灾、爆炸、窒息、中毒等危险,气路系统的设计与科研人员的安全密切相关。近年来,实验室用气安全事故频发,造成了巨大的人身伤害和财产损失。从设计本质安全的角度出发,实验室气路设计应当在满足科研和生产的需求基础上,符合各项规范要求,将风险降到*低。与工业生产性项目不同,实验室用气具有品种多、用量少;间歇操作多;生产状态不固定,改造可能大等特点。根据类型和用途的不同,一般可分为以下几类:
(1)动力用气:常用压缩空气,用于机械设备动力气源、仪表动力气源、清洗吹扫用气等;
(2)保护用气:常用氮气,特殊情况下会采用氦、氩等稀有气体,用于化学合成等操作的保护气;
(3)分析用气:为保证压力稳定和气体纯度,一般采用钢瓶供气。常用的分析实验类别和用气类型见表1。
表1 分析实验用气示例
(4)生物实验用气:细胞培养和动物房常用二氧化碳。气体的安全风险因素包括了可燃、爆炸、有毒、窒息等,如何在保证供气稳定、质量可靠等需求的同时,确保用气的安全,是设计中必须考虑的重要问题。用气安全的设计不仅与气体供应和分配输送系统自身相关,也需要与建筑整体消防、防爆等安全设计有机结合起来,综合协调。
气体供应安全设计策略
根据使用需求和场地条件的差异,实验室气体供应可采取不同的方式。大量的气体供应可采取动力站集中供应的方式,例如空压站、制氮站、液氧 / 液氮槽及汽化装置等;对于用量不大,纯度和稳定性要求高的使用场景,一般采用钢瓶汇流排供应;对于用量极小,且场地不适宜集中供应的使用场景,也可采用就地的小型设备供应,例如小型的空压机、制氮机、氢气发生器等。
1.1 平面布置和建筑防爆
实验室的建筑定性一般为公共建筑或丙类厂房。为了兼顾运输需要和管路敷设,气源站一般设在建筑物首层靠外墙的房间处或室外,以尽量满足通风、泄爆要求。JGJ 91—2019 《科研建筑设计标准》对此做了适当放宽,日用量不到一瓶的气体,可以在有安全防护设施(如带排风的气瓶柜等)时放置一瓶在室内。一般来说,气瓶间适宜做成半敞开式的,以便进行自然通风措施,但要同时考虑避免太阳直晒的措施,例如布置在建筑背阴面或设置百叶。如果无法满足自然通风条件,则应有至少 3次 / 小时的机械通风,对于可燃气体,通风次数应达到 6次 / 小时,并考虑 12次 / 小时的事故排风。对于多种类别气体同时存在的情况,应按气体的火灾危险性和毒性进行类别判定,并综合考虑化学反应可能性、法规要求的管控级别等各种因素进行布置。一般来说,可以按照易燃性气体、毒性 / 腐蚀性气体、氧化性 / 惰性气体、剧毒性气体进行区分布置。根据 GB 50016—2014 (2018 年版)《建筑设计防火规范》,爆炸下限小于 10% 的气体属于甲类物质,氢气、甲烷、乙烷、乙炔等都在其列。对于甲类气体钢瓶间,为了不影响建筑定性,当层的甲类区面积需不超过本层建筑面积的 5%,同时需要满足泄爆面积计算[1]。某设计实例中,整体建筑定性为丙类厂房,首层靠外墙处设了一个 3m 宽,1.5m 深的钢瓶间,此深度满足钢瓶摆放和操作检修空间需求。首层层高 6m,梁高 1m。则可获得的*大泄爆面积为 :
A = 3×(6-1) = 15 m2
如果有氢气,取 C ≥ 0.250
由此可见,当有氢气存在的情况下,常规的单面泄爆往往难以满足泄爆需要,因此一般将甲类气瓶间设置在建筑物以外,采取轻质围护结构或轻质雨蓬,以做到三面甚至四面泄爆,或者直接使用格栅做围护,保证与室外的完全通风,以*大程度地减少可燃气体积聚。
1.2 电气爆炸性危险区域划分
可 能 有 可 燃 气 体 释 放 的 区 域,应 该 根 据 GB50058—2014《爆炸危险环境电力装置设计规范》划分爆炸性危险区域,并根据危险区域划分图指导区域内的电气设计,选用合适的电气设备,包括配电箱、接线箱、插座、灯具、探头、仪表等。尤其是有快拆接口、法兰处需进行此考虑,焊接管道不视为释放源。气瓶拆装处、气体放散口、安全阀泄放点等区域可能需考虑为二级释放源,建议进行爆炸危险性区域划分。实验室常用的可燃气体分级见表2[2],相关的电气防爆设计以此为依据 :
表2 实验室常用可燃气体特性
对室外钢瓶间进行爆炸性危险区划分时,可以参考典型示例图1[2]。
图1 可燃气体重于空气的爆炸危险区域划分示例图(1)
(1)可燃气体重于空气
对于装置设备容积≤ 95 m3,压力≤ 3.5 MPa,流量≤ 38 L/s 的二级释放源,可以将爆炸危险区域的半径从 15 m 缩小至 4.5 m。由于常用的比空气重的可燃气体多为烃类,在压力稍高时已经液化。以丙烷为例,在环境温度下,压力超过 1.0 MPa 时即开始液化,钢瓶内可有气液两相共存,气相的压力是对应温度下的饱和蒸气压。当环境温度取 50 °C 时,饱和蒸气压为 1.77 MPa,未超过 3.5 MPa,可以适用此条款。对于常见的比空气重的可燃气体气瓶,爆炸性危险区可以划分如图2 所示[2]。
图2 可燃气体重于空气的爆炸危险区域划分示例图(2)
(2)可燃气轻于空气时
如图3 所示[2]。
图3 可燃气体轻于空气的爆炸危险区域划分示例图
(3)对于氢气钢瓶,由于密度更低,更易扩散,只需划球形即可
如图4 所示[2]。
图4 氢气的爆炸危险区域划分示例图
根据各类常用可燃气体的特点,可知一般爆炸性危险 2 区划分,在平面上一般需要半径 4.5 m,立面上根据气体类型不同,4.5 m 或 7.5 m 不等。在平面布置设计中,首先需要确定释放源。如果能固定气瓶摆放的位置,可以以气瓶出口和汇流排等主要的阀门、法兰、快接口为释放源点。但实际生产中往往会出现更换气瓶、检修等情况,气瓶间内也需要考虑空瓶的暂时堆放,而此“空瓶”只是压力不满足使用需求,仍然有泄漏的风险。因此,一般以气瓶间的栅栏为释放源的边界,划定爆炸危险性区域平面范围。确定爆炸危险性区域后,应避免将相邻的室内房间划入爆炸危险性区域,否则会增加不必要的成本。平面布置上,在 4.5 m 半径范围内不宜有门、窗、墙孔。在立面布置上,根据可燃气体密度的不同,从释放源向上的 4.5 m 或 7.5 m,也不宜开窗或开墙孔。如果开窗,窗台高度需要超出爆炸性危险性区域的范围。在某设计实例中,一层层高为 6 m,二层窗台高1 m,假定气瓶出口高度为 1.2 m,考虑到室内外高差后,与窗台高差仅为 6.35 m,当放置甲烷气体钢瓶时,二层房间将被划进爆炸性危险 2 区范围。因此采用了出挑混凝土结构雨蓬的方法,如图5 所示,设置雨蓬后,即使气瓶沿气瓶间栅栏外侧放置,气瓶出口到二层窗户的距离为 2.665 + 0.5 + 4.493 = 7.658 m,超过了 7.5 m 的范围,避免将爆炸性危险区影响二层。但采用此方法时,需要注意采取措施,避免氢气等轻质可燃气体在雨蓬下积聚。
图5 可燃气体钢瓶间立面设计实例
1.3 钢瓶间消防设施
对于可燃气体钢瓶间及氧气钢瓶间,在灭火器设计时参考 C 类严重危险级设计,常采用干粉磷酸铵盐灭火器或二氧化碳灭火器。室内钢瓶间设计自动喷水灭火系统时,一般参考中危险Ⅱ级设计。但某些特殊气体可能与水反应,导致产生有毒有害产物、不可控放热、加剧燃烧等后果,此类情况下应避免采用水消防系统。
1.4 钢瓶供气工艺设计
对于钢瓶供气设施,一般采用汇流排的形式,对多个气瓶(或杜瓦瓶等)进行集中减压,确保供气的持续稳定。一个典型的气瓶汇流排设计如图6所示。典型的汇流排设计应具有减压、安全阀、吹扫阀、(半)自动切换和低压报警等功能。
图6 气体汇流排系统控制设计案例
(1)切换功能:切换是汇流排的主要设置需求。设计中常常采取一用一备或多用多备的方式,将多个气瓶通过汇流排并联起来供气。当一组用完后自动关闭联通本组的阀门,切换到备用组,这样可以保证气体的连续稳定供应。根据切换方式不同,汇流排可分为手动、半自动和全自动类别。
(2)报警功能:对气瓶组压力的监测,是保证使用稳定性的需求,也是安全的需求。当气瓶压力过低,接近大气压时,气瓶如受冷会导致外界气体倒灌入钢瓶,当气瓶再次充装时,纯度达不到要求。对于可燃气体钢瓶,如果有空气混入,当再次充装高压可燃气时,可能会导致爆炸。尤其是对乙炔等溶解性质的钢瓶,内部有硅藻土和丙酮的混合溶剂,在较低的压力下吸附更多气体。如果过度使用造成压力过低,部分丙酮挥发,重复装填时,将无法获得足够的装填压力,如果强行装填极易爆炸。因此,气瓶的低压报警是必须的。即使对手动和半自动汇流排,或不需切换的单瓶汇流排,也应送出报警信号,通知更换钢瓶。如果所有气瓶压力都低于临界值,则切断供气。
(3)减压功能:钢瓶气的初始压力一般较高,如氮气、氩气等钢瓶的储存压力可达 15 ~ 20 MPa,需经过 1 ~ 2 级减压后方可满足一般的输送管道等级限制。因此,常规会在每个气瓶组出口设减压阀组。阀后不必再采用能耐受高压的管道,因此还需设置安全阀。
(4)吹扫功能:为保证每次更换气瓶后,汇流排内进入的空气被排空,保证供气纯度,需设置吹扫阀和吹扫管路,以防止更换气瓶时,外界空气进入管路系统,也方便在更换气瓶时,先将管道中高压气体排空。对于可燃助燃气体,一般另外设一瓶氮气用于吹扫。吹扫管路可以和安全阀泄放出口并联,*终的排放口需注意防雨、防异物进入的措施,还需注意排放口安全,不可对着人员可能经过的途径。
气体分配系统设计
2.1 输送压力选择策略
气路输送的压力选择,需要考虑以下因素:
(1)气路输送的压力上限,受气源的限制。如果采用空压机或制氮机做为气源,则气源压力由设备选型确定,常规在 0.6 ~ 1.0 MPa 左右。使用液态气体储槽或杜瓦罐气化法时,一般可达到 1.0 MPa 的出口压力。钢瓶压力较高,一般远超过输送要求;
(2)从减少主管管径,以节约管道材料成本和吊顶空间的角度出发,当总质量流量不变时,流速范围相对固定,压力越大则管径越小。在当前管道和阀门等级的设计压力满足需求时,应尽量提高主管的输送压力;
(3)从减少减压阀数量的角度出发,如果某区域有较多需求同一压力的使用点,可以共用一组减压阀直接减到所需压力。但如果某区域有较多不同压力的使用点,则需要主管压力满足*高的使用点压力需求,在末端分别减压。实际设计中,可以将这两种思路结合起来;
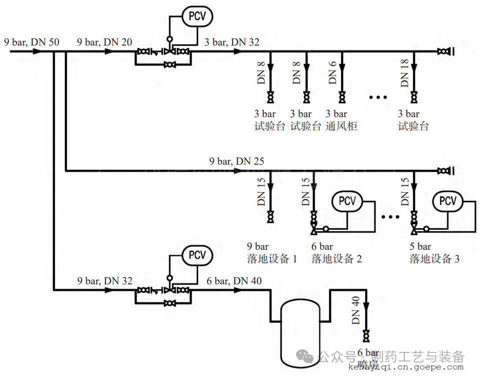
(4)对于单个使用点流量远大于其余使用点的情况,宜将其从主管上单独做一路减压,或独立设置缓冲罐。以避免其启停对同一支管的其余使用点压力产生较大波动。实践中,这类大流量的单个使用点开启关闭时,常造成相关管道的啸叫或震动,对相邻使用点压力产生较大冲击,有一定安全隐患。某设计实例如图7 所示,实验台、通风柜等标准家具需求 0.3 MPa 的压缩空气,同时也有较多落地设备,使用压缩空气的压力在 0.5 ~ 0.9 MPa 不等,还有部分喷房等设备,使用压缩空气量很大,启停时会对其余使用点造成干扰。因此采取的策略是,空压站提供 0.9 ~ 1.0 MPa 的压缩空气,预先分出一路减压到 0.3 MPa,供标准实验家具的用气点使用。保留一路 0.9 MPa 的主管,在末端分别减压,供不同的设备用气点使用。对于单个流量较大的设备,直接从主管上分支出一路,而非房间的次一级主管,同时设缓冲罐。
图7 压缩空气分配系统设计案例
2.2 报警与联锁设计
2.2.1 探头设计参数
气体泄漏可能导致燃烧、爆炸、中毒风险;氮气等惰性气体泄漏可能导致窒息风险,即使氧气也会导致高氧中毒现象。一般来说,对于以下可能发生气体泄漏,或泄漏后积聚产生严重后果的区域应当设气体探头:
(1)气体入口室或分配室,如减压站、气瓶间等;
(2)有可燃气体管路经过的技术夹层、管井;
(3)气体使用点。根据 GB/T 50493—2019 《石油化工可燃气体和有毒气体检测报警设计标准》,常见类别气体的报警值设定见表3 [3],可燃气体和有毒气体的参考特征值分别按爆炸下限(LEL)和职业接触限制确定(OEL),实际设计中可根据需求,降低报警限制,提高灵敏度。
表3 气体探头报警值设置原则
2.2.2 联锁措施
当检测到气体泄漏时,采取报警、事故通风、切断阀门等联锁措施,保障人员安全和避免火灾、爆炸。各措施的设计要求如下:
(1)远程报警:气体报警信号一般接入有人员常驻的控制室。对于小型项目,未设独立的中控室或楼宇自控系统,也可以设计就地控制器并*终接入消防控制室。但需要注意,按照《火灾自动报警系统设计规范》的要求,接入消防控制系统的信号应从气体报警的就地控制器或主机来,不可以从探头直接接入。
(2)就地报警:气体泄漏点在现场设置就地报警措施。实际经验中,除了在可能的泄漏点附近设计声光报警器,出入口门外也会设置光报警器,尤其是实验室面积较大,或实验无人值守的情况。
(3)事故通风:如果常态通风不能满足 12 次 /h 的换气次数要求,或房间的通风开启时间不能覆盖存在气体泄漏的时间段,则需要设计事故排风,接受气体报警信号启动,并视需要设计补风系统。
(4)应急切断:一般在气体主管路上或在进入实验区域的位置设置切断阀,接受来自本区域气体探头的信号,用于当气体泄漏时紧急切断供气。某些设计实例提出当火灾发生时,由于非消防电源切断,自控系统失效后,可能无法根据需要切断气源,届时气体泄漏会造成二次险情,因此应急切断阀同时也响应消防系统的信号,当火灾报警时也进行切断动作。
2.3 气路管道路径设计
与其他工艺管道一样,气体管道一般集中布置在工艺管井内。管井上设置方便开启的检修门,以供检修和维护。但是可燃气体的管道应明敷,若敷设在管井或技术夹层内时,需要考虑管井和技术夹层空间内的事故排风,并采取可燃气体报警装置。GB50177—2005 《氢气站设计规范》对氢气管路做了不得穿越生活区、办公区和不使用氢气房间的规定。从安全和降低设备成本的角度,为了优化可燃气体管道走向,应在平面布置初期就做此考虑,可尽量将使用氢气等可燃气体的房间布置在建筑靠外墙一侧,同时将气瓶间布置在此侧,这样在外立面允许的条件下,管道可以沿外墙直接进入使用点的房间,全程无需穿越管井、技术夹层和其他房间。某设计实例中,当氢气管道无法全程明敷直接进入使用位置时,采用了多种措施保障不发生泄漏和积聚:氢气管道穿越房间吊顶上方时,全程设置封闭套管;氢气管道和套管都做 100% 无损检测;套管内外管之间抽真空,并设置压力仪表监测真空状态,当真空度发生波动时,报警并联锁切断供气阀门;在管道路径的吊顶内设置可燃气体报警装置。总之,气路管道的走向布置受到场地土建条件的限制,具体采用什么程度的措施用气安全要求需要综合考虑各方面因素和规范要求进行评审。
2.4 气路管道材料设计
2.4.1 管道材质 实验室的气体,根据不同的工艺需求,使用的温度、压力、纯度等工况是不同的,因此管道材料的选用要结合具体的需求区别对待,满足生产工艺要求,尽量经济合理。实验室用气具有流量小、间歇使用的特点,需要考虑减少二次污染,提高供气可靠性的需求。不锈钢具有化学稳定性好,渗透性小,吸附性差的特性, 304 或 316L 不锈钢在气体输送中应用较为普遍。由于末端使用点管径小,常见 DN 6到 DN 8,因此末端一般采用 tube 类型的薄壁管,采用卡箍式连接或 VCR 连接,便于未来检修维护。对于氧气管道,还需要注意垫片、阀门填料等应当采取不燃材料,如聚四氟乙烯或不锈钢等。管道需要严格脱脂,以防止高氧分压下,加速氧化过程,放热导致火灾发生。乙炔与铜反应会生成易爆物乙炔铜(CuC2),因此乙炔管路禁止采用铜质材料。 2.4.2 阀门选择 一般来说,较小管径气体管道(小于 DN 100)使用球阀较多,但有以下情况需注意选用隔膜阀 : (1)氧气不宜用球阀。这是由于打开的过程中,当气体经过小孔从高压区域流向低压区域时,由于节流效应的存在,体积会迅速膨胀,速度可能突破音障。当下游有障碍物,例如未完全开启的调压阀、关闭的下游阀门等,可能导致局部温度过高。对于氧气等助燃气体系统,可能点燃管路中的可燃材料。为避免此过程带来的火灾风险,建议采取隔膜阀作为氧气管道的开关阀。
(2)高纯气体或可燃气体宜选用隔膜阀。隔膜阀的密封性能较好,可以有效防止外界空气中杂质混入,或可燃气体泄漏。同时,隔膜阀具有死区体积小的特点,易吹扫干净。
消防安全定性难点研讨 涉及可燃气的使用需求时,在消防安全定性方面主要受到两部规范的限制: 《建筑设计防护规范》规定,当易燃、助燃类气体的用量不超过限值时,方可不定义为甲乙类生产区,与气体相关条目如表4 所示[2]。
表4 可不按物质危险特性确定生产火灾危险性类别的*大允许量(节选)
《爆炸危险环境电力装置设计规范》的划分主要取决于爆炸性气体混合物的出现频率,并考虑环境的通风情况,具体等级的判断取决于气体本身的性质,具体可参考表2。根据《建筑设计防火规范》的条文解释,二者内在是统一的,对典型甲类气体的用量控制,是考虑了完全泄漏后达到爆炸下限的相应比例计算得到的。但《建筑设计防火规范》对甲乙类生产区的判定和《爆炸危险环境电力装置设计规范》对爆炸性气体环境的划定在实际操作中又指向不同的需求,前者更多限制建筑定性和建筑防爆、泄爆,后者限制的主要是电气设备的防爆等级。实际设计中会面临更复杂的情况,下文结合两个实例展开探讨:
3.1 非电气防爆区域的判定 实践中,可燃气体的使用点常常不满足电气防爆等级需求,例如氢气是分析实验常用载气之一,即使根据用量定性,设计在甲类房间内,或房间内固定的电气设备按防爆类别设计,但市面上也很少有满足电气防爆的相关仪器,无法做到本质安全。某设计实例中,在甲类实验区,因仪器不防爆的原因不适合划分电气防爆区域。依据《爆炸危险环境电力装置设计规范》中“可燃物质可能出现的*高浓度不超过 10% LEL 时,可划为非爆炸危险区域” [2] 的规定,采取了相关措施:①可燃气体的操作限制在局部排风设备内进行,并将相关排风机定义为事故风机,一用一备,按二级负荷供电;②设置可燃气体探头,报警值按 5%/10%,联锁到事故风机和供气切断阀;③控制可燃气体的相关操作在局部排风设备内进行。通过以上措施,将本甲类区的电气防爆定为非爆炸性危险区域,满足了需求和规范要求。 3.2 可燃气体使用区域非甲类的判断 当可燃气体不是用于仪器分析消耗,而是用于化学反应本身时,其用量往往难以控制,可能会容易突破甲类区判定的限制。尤其是对化学化工的合成实验室,如氢化反应实验等,当气源与装置直接相连时,如果出现设备进料控制故障,可能导致实验房间内的可燃气体存量超过限值,而实验房间没有相应地按甲乙类进行设计,存在消防安全问题。某设计实例中应用了一种设置缓冲控制的方法,应用于氢化实验装置中,并成功地将实验区定性为非甲类 [4]。具体措施是在气源和装置中间串联缓冲罐,并采用三通阀或联锁阀控制,使缓冲罐只能与气源连接或只能与装置连接,气源和装置不可直接连接。这样即使发生进料控制失效,也不会导致气源站的气体直接泄漏到实验房间中。实验房间内可能泄漏的气体量*大值被控制在缓冲罐的容积以下,可以通过计算缓冲罐的容积,保证实验房间内的气体总值不突破表中的限制,从而使得实验室在保证安全的前提下,不判定为甲类区。 结 语 实验室供气系统是实验室公用工程系统的重要组成部分,也是重要的风险因子。在供气系统设计当中,既要满足可靠性,又要确保安全性。在气源站布置、工艺系统设计、管道设计等方面都需要注重这些原则,采用合适的工艺和工程方案来实现这一目标。 参考文献 [1] 中华人民共和国公安部,建筑设计防火规范:GB 50016—2014(2018 版) [S]. 北京:中国计划出版社, 2018. [2] 中国工程建设标准化协会化工分会,爆炸危险环境电力装置设计规范:GB 50058—2014[S]. 北京:中国计划出版社,2014.
[3] 中石化广州工程有限公司,石油化工可燃气体和有毒气体检测报警设计标准:GB/T 50493—2019[S]. 北京:中国计划出版社,2019.
[4] 程华,曾晓虹,尤超. 降低装置火灾危险的方法 [P]. 北京市:CN201210383895.2. 2016-08-10.
上一篇:气体管道工程的设计安装中的要求下一篇:气路装置的保养规程
-
产品搜索
扫一扫,手机浏览























