
阀门与切换面板的技术要求
1、减压阀、半/全自动切换控制面板、隔膜阀的进气口、出气口连接宜采用 60°密封管螺纹(NPT 螺纹)或面密封接头,60°密封管螺纹(NPT 螺纹)应符合 GB/T 12716 的相关规定。
2、球阀、针阀、单向阀、泄压阀的进气口、出气口连接宜采用 60°密封管螺纹(NPT 螺纹)、焊 接管、卡套连接,60°密封管螺纹(NPT 螺纹)应符合 GB/T 12716 的规定,卡套连接应符合 ASTM F1387 —19 的相关规定。
3、减压阀、半/全自动切换控制面板、隔膜阀、球阀、针阀、单向阀、泄压阀所有与气体接触的零 件应经过超声波清洗,以达到去除杂质和脱油脱脂的效果,清洗结果应符合 ASTM G93—2011 中11.4.3 LV-C 的相关规定。
4、减压阀、半/全自动切换控制面板、隔膜阀的进气口侧宜配置 316L 过滤网或过滤片,其过滤精度不低于 150 m,以防止杂质进入阀内对阀座产生不可逆的损伤。
5、半/自动切换面板应配置两块进气压力表,分别指示左右两侧气源的压力。
6、半/自动切换面板应配置一块出气压力表,指示自动切换面板的出气压力。
7、半/自动切换面板出气口应配置泄压阀。
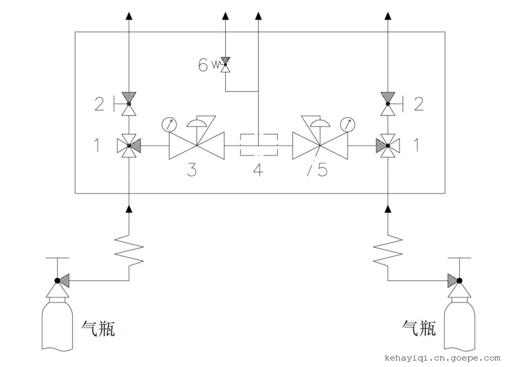
8、 半自动切换面板应实现双侧不间断供气的使用要求,配置要求应符合图 1 的规定。

标引序号说明:
1——进气隔膜阀;
2——排空隔膜阀;
3——左侧减压阀;
4——联动切换组件;
5——右侧减压阀(分离式手柄或手轮);
6——泄压阀。
- 全自动切换面板应满足全自动实现双侧不间断供气的使用要求,配置要求应符合图 2 的规定。
标引序号说明:
1——进气隔膜阀;
2——排空隔膜阀;
3——减压阀;
4——泄压阀;
5——全自动切换器。
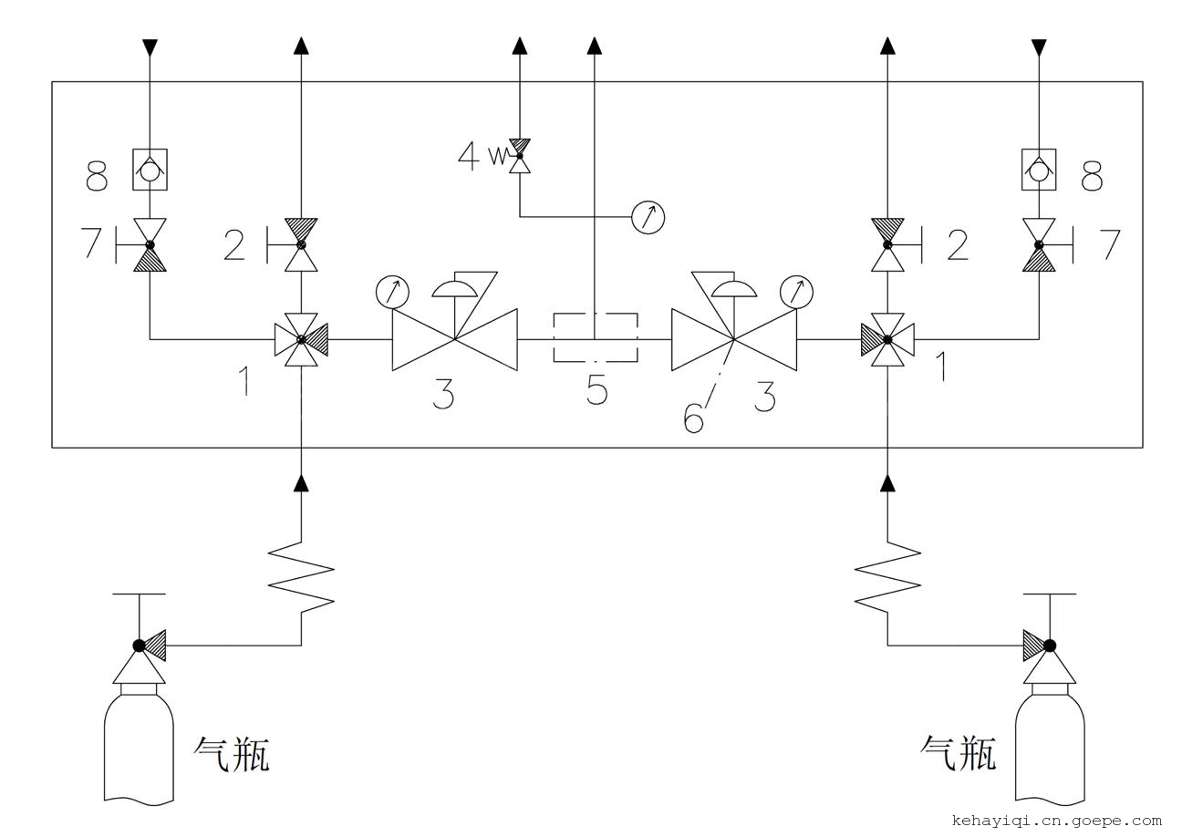
- 带吹扫功能的半自动切换面板应满足双侧不间断供气的使用要求,并提供吹扫用隔膜阀和单向 阀,配置要求应符合图 3 的规定。

标引序号说明:
1——进气隔膜阀;
2——排空隔膜阀;
3——减压阀;
4——泄压阀;
5——联动切换组件;
6——分离式手柄或手轮;
7——吹扫阀;
8——单向阀。
11、半/全自动切换面板上应包含左右两侧的进气隔膜阀及排空隔膜阀。在更换气源时导致进气隔 膜阀前端高压连接管内气体被空气污染的情况下,打开气源将高纯气体通入连接管,再使用排空隔膜阀 将污染气体排空。带吹扫功能的半自动切换面板上除左右两侧进气隔膜阀及排空隔膜阀外,配置专用的吹扫阀和单向阀,可实现引入第三方气体对半自动切换面板前端气体管路进行吹扫。
12、 半自动切换面板正常工作时,一侧为主供气侧,另一侧为备供气侧。优先从主供气侧气源供气,随着主供气侧气源压力下降到设定值时,备供气侧自动进行供气。当更换主供气侧气源时,应手动调整分离式手柄或手轮,或联动切换组件,使主供气侧与备供气侧进行交换,进而保证左右两侧气源轮流供气。
13、全自动切换面板上的自动切换功能由全自动切换器来实现。全自动切换器为机械结构。随着供气侧气源的持续供气,当气源压力降到面板的设定值时,自动切换到另一供侧进行供气。自动实现左右两侧气源轮流供气。